KONDENZATOR 20 microfaradov
Originalni kondenzator za 220 V črpalke CALPEDA MPCM 20 microfaradov
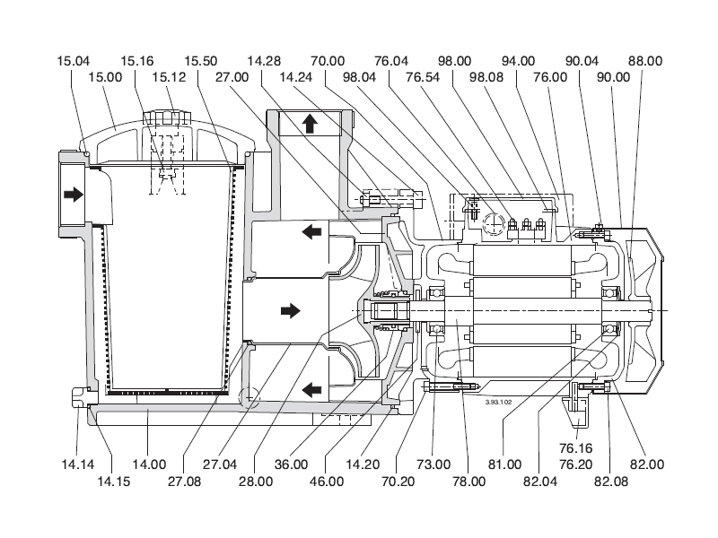
Bazenska obtočna črpalka CALPEDA model MPC in MPCM.
Dobavimo lahko tudi večino vseh ostalih rezervnih delov za to črpalko, zato glejte shemo rezervnih delov.
Za več informacij o rezervnih delih za to črpalko nas pokličite na 05 330 96 21 ali nam pišite na info@bazenska-trgovina.si
Originalni kondenzator za 220 V črpalke CALPEDA MPCM 20 microfaradov
Originalni kondenzator za 220 V črpalke CALPEDA MPCM 30 microfaradov
Originalni kondenzator za 220 V črpalke CALPEDA MPCM 35 microfaradov
Pokrov obtočne bazenske črpalke CALPEDA, model MPC
Na skici rezervnih delov št.: 15.00
Tesnilo "O-ring" pokrova obtočne bazenske črpalke CALPEDA, model MPC
Na skici rezervnih delov št.: 15.04
Nadomestni vijaki za pritirditev pokrova črpalke CALPEDA model MPC
Na skici rezervnih delov št.: 15.12
Kvadratna matica vijaka pokrova črpalke CALPEDA, model MPC
Na skici rezervnih delov št.: 15.16
Košek predfiltra obtočne bazenske črpalke CALPEDA, model MPC
Na skici rezervnih delov št.: 15.50
Čep za izpust vode za črpalke CALPEDA MPC.
Na skici rezervnih delov št.: 14.14
O-ring čepa za izpust vode za črpalke CALPEDA MPC. Črpalka ima dva takšna čepa z O-ringom.
Na skici rezervnih delov št.: 14.15
Na skici rezervnih delov št.: 88.00
Novice, nasveti za gradnjo in vzdrževanje bazena ter ugodnosti v spletni trgovini ditektno v vaš nabiralnik.
Vse kar morate vedeti o negi bazenske vode in odpravljanju težav.
PREVERI OPRAVILA