Pokrov črpalke Astral Victoria
Pokrov obtočne bazenske črpalke ASTRAL, model VICTORIA in SPRINT
Na skici rezervnih delov št.: 3
Bazenske obtočne črpalke ASTRAL model VICTORIA.
Dobavimo lahko tudi večino vseh ostalih rezervnih delov za to črpalko, zato glejte shemo rezervnih delov.
Za več informacij o rezervnih delih za to črpalko nas pokličite na 05 330 96 21 ali nam pišite na info@bazenska-trgovina.si
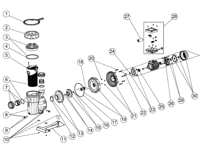
Pokrov obtočne bazenske črpalke ASTRAL, model VICTORIA in SPRINT
Na skici rezervnih delov št.: 3
Ročaj za odvijanje matice predfiltra pokrova črpalke ASTRAL model VICTORIA
Na skici rezervnih delov št.: 1
Na skici rezervnih delov št.: 4
Košek predfiltra obtočne bazenske črpalke ASTRAL, VICTORIA in SPRINT
Na skici rezervnih delov št.: 5
Matica pokrova predfiltra obtočne bazenske črpalke ASTRAL, model VICTORIA
Na skici rezervnih delov št.: 2
Čep za izpust vode za črpalke ASTRAL model VICTORIA. Črpalka ima dva takšna čepa.
Na skici rezervnih delov št.: 9
Komplet vetrnica in pokrov ventilatorja črpalke ASTRAL model VICTORIA
Na skici rezervnih delov št.: 30
Originalna deljiva spojka za črpalko ASTRAL VICTORIA do 1 HP
Na skici rezervnih delov št.: 7 spojka
Originalna deljiva spojka za črpalko ASTRAL VICTORIA od 1,5 do 2,5 HP
Na skici rezervnih delov št.: 7 spojka
Posebno ploščato tesnilo za uporabo z deljivimi spojkami
Priključna doza za 220 V črpalke, s prostorom za kondenzator
Na skici rezervnih delov št.: 28
Nadomestna turbina črpalke ASTRAL VICTORIA
Novice, nasveti za gradnjo in vzdrževanje bazena ter ugodnosti v spletni trgovini ditektno v vaš nabiralnik.
Vse kar morate vedeti o negi bazenske vode in odpravljanju težav.
PREVERI OPRAVILA